The HT70-B micro type hydraulic drilling jumbo is a type of medium-to-deep hole drilling equipment designed for small-section underground tunnels. It is suitable for drilling vertical or inclined parallel holes as well as fan-shaped blast holes.
The hydraulic drilling jumbo is equipped with stable dual stingers, a high-precision angle indicator, and an ergonomic remote-control console. Combined with an efficient hydraulic drifter, these features support safe, accurate, and reliable drilling operations. The high-stability boom provides precise positioning and high drilling accuracy, helping to reduce ore dilution.
| Hydraulic drilling jumbo | Suitable cross section | 2800×2800 - 4000×4000mm |
| Dimensions (Lx W x h) | 4150×1400×2200mm | |
| Ground clearance | 280mm | |
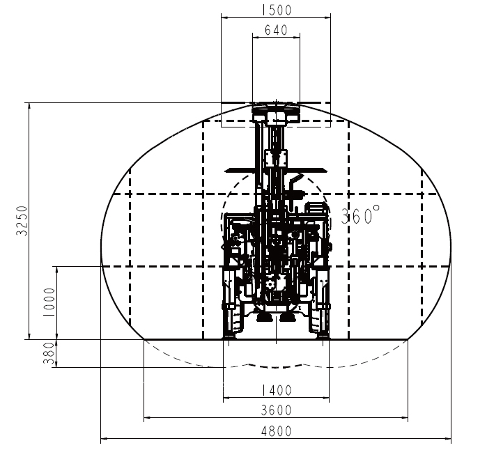
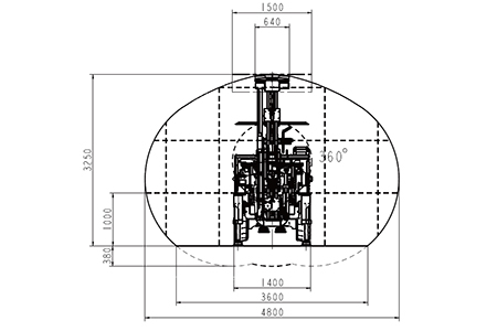
| HT70-B(CYTC70B) | Min. turning radius | Inner 2100 mm / Outer 3500 mm |
| Gradeability | 14° | |
| Total weight | 5500kg | |
| RC2200 Hydraulic drifter | Percussion power | 21kW |
| Percussion frequency | 55Hz | |
| Impact pressure | 200bar | |
| Rotation system | Independent rotation | |
| Rotation speed | 0-285r/min | |
| Max. rotary torque | 720N.m | |
| Feed system | Feed lengths | 2550 / 2770 / 3000mm |
| Drill rod thread | T38 / T45 | |
| Drill rod length | 800 / 915 / 1220mm | |
| Feed weight | 800/950/1050kg | |
| Feeding force | 13kN | |
| Rod storage capacity | 14+1 (T38) / 12+1 (T45) | |
| RC2200 Electric system | Total power | 87.5KW |
| Main electric motor | 75kW | |
| Voltage | 380V (optional) | |
| Air compressor | Model | GCU11 |
| Air displacement (8bar) | 1 m³/min | |
| Voltage | 380V (optional) | |
| Boom | Compensation stroke | 900mm |
| Feed rollover angle | 180° | |
| Tilting angle | Forward -30°, backward +65° | |
| Boom weight | 750kg | |
| Parallel hole range | 1500mm | |
| Hydraulic system | Oil tank capacity | 120L |
| Filter fineness | 10μm | |
| Sensor | Differential pressure sensor for hydraulic oil filter | |
| pump | Manual oil pump | |
| Chassis | Rear axle oscillation | 7° |
| Tyres | Front: 8.25-10 | |
| Rear: 6.5-10 | ||
| Drive | Front wheel drive | |
| Steering | Rear wheel steering | |
| Brake | Service brake / parking brake |
Huatai is a Chinese company specialized in the design and batch production of rock drilling equipment. Since its inception in 2000, the company has been committed to manufacturing cutting edge products and providing the highest levels of customer service for a number of enterprises engaged in the mining, metallurgical and foundation engineer sectors.
Huatai has achieved continuous self-transcendence and filled several gaps in the domestic market through 20 years of ongoing innovation and development in the underground mining and rock drilling industry. Today, our product line includes more than 30 types of mine rock drilling machines which are fallen into three categories, i.e. underground mining equipment, coal mining equipment and shaft drilling jumbos. Years of our constant growth and improvement have resulted in a respectable achievement in the domestic rock drilling machine industry, increasing the safety, efficiency, and cost-effectiveness for underground mine engineering and tunneling construction operations.
The GYSJZ shaft drilling jumbo is a specialized, high-performance drilling machine developed to meet the demands of deep, hard-rock vertical shaft excavation. The drilling machinery is powered by a robust 132kW motor and equipped with three heavy-duty hydraulic drifters, enabling it to handle drilling diameters from 4 to 6 meters.
Read More +
YSJZ shaft drilling jumbo is a type of rock drilling machinery specially designed for vertical shaft construction in iron ore and non-ferrous metal mines. The shaft jumbo is a great alternative to be used in mining and underground construction projects where other drilling methods couldn't be adopted due to their technical or economic limits.
Read More +
SJZ series vertical shaft drill is a special equipment to drill blastholes for construction of vertical shaft. It suits a wide range of shaft diameters, and features of flexible operation, precise positioning and reliable safety.
Read More +
Purpose-built for medium-hard rock formations, the RC600 hydraulic drifter delivers powerful and precise drilling across a wide range of demanding applications. Its robust design and versatile capabilities make it the perfect choice for support drilling in underground mining, anchor bolt installation, highway construction, bridge engineering, and complex building projects.
Read More +